Indicador luminoso do interruptor
- INDICADOR LUMINOSO DA LOCALIZAÇÃO DO INTERRUPTOR.
Outro projetinho simples, útil, fácil e barato: acrescentaremos uma “micro-lâmpada” de estado sólido (o nome técnico é LED, abreviatura dos termos em inglês para Diodo Emissor de Luz...) ao espelho de um interruptor de parede, de modo que - estando a lâmpada controlada pelo tal interruptor apagada, o LED se manterá iluminado, indicando claramente aos usuários a exata posição do interruptor (justamente quando - à noite - o aposento estiver totalmente escuro...). Quando a lâmpada é acesa - ligando-se o interruptor - automaticamente o mini-sinalizador luminoso se apaga...!
Nem é preciso dizer da utilidade de um dispositivo desse tipo (todos entre vocês que já tropeçaram no escuro, tateando através de um aposento e apalpando as paredes até encontrar o “acendedor” da iluminação local, sabem do que estamos falando...). E ainda tem um bônus: o pequeno LED sinalizador e indicador, também perfaz uma importante função de monitorar o estado da lâmpada originalmente controlada pelo interruptor: se - estando o interruptor desligado (lâmpada normalmente apagada, como seria normal durante o dia...) - o dito LED não acender, é sinal de que a lâmpada está “queimada”...! Isso poderá ser confortavelmente verificado ainda em horas diurnas, em tempo de promover a substituição da lâmpada , antes que a noite chegue, com todos os inconvenientes que tal situação geraria...
Mas, chega de tró-ló-ló, e vamos à montagem

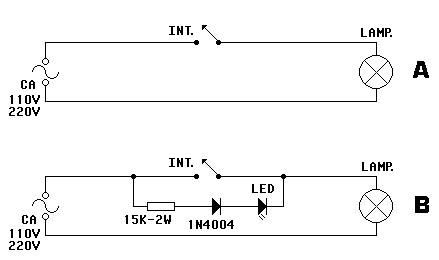
FIG. 2-1 - DIAGRAMA ESQUEMÁTICO
Novamente optamos (para perfeita clareza das explicações...) por mostrar, no mesmo quadro, o “antes” e o “depois” da coisa... Assim, na FIG. 2-1-A vemos o esquema do arranjo elétrico normal para controle de uma lâmpada comum da casa por um interruptor simples, enquanto que na FIG. 2-1-B o esquema já traduz as inserções de componentes que formam o nosso projetinho...
São apenas três os componentes anexados: um resistor, um diodo e um LED. O resistor executa a importante função de limitar a corrente a valores aceitáveis pelos dois outros componentes... O diodo opera como um “caminho de mão única” para a corrente, transformando a Corrente Alternada da rede local (cuja polaridade ou “sentido elétrico” se inverte - alterna - 60 vêzes por segundo...) em pulsos de polaridade única, por sua vez requeridos pelo LED (também uma espécie de diodo, porém capaz de emitir radiação luminosa visível - LUZ...).
Novamente, os componentes são - entre sí - interligados no modo que chamamos “em série”, ou seja: nitidamente enfileirados... As extremidades do conjunto são, por sua vez, eletricamente ligadas aos terminais do interruptor que normalmente controlava a lâmpada... Tudo muito simples e direto, realizado a partir de componentes baratos e comuns, a um custo desprezível e numa montagem de facílima implementação...!
|
Existem LEDs em vários formatos (redondos, quadrados, retangulares, triangulares, “em ponto”, etc.) e emitindo luz em várias cores básicas (vermelho, âmbar, verde, etc.), porém - por uma série de razões práticas e funcionais - nossa recomendação vai mesmo para o componente vermelho, redondo, com diâmetro de 5 mm (opcionalmente, de acordo com o seu gosto, o caro Leitor-Virtual pode utilizar outros formatos ou cores...). Quanto ao diodo, o importante é que seja capaz de trabalhar sob tensão de 400V ou mais, conduzindo corrente no valor de 1 ampére ou mais. Dentro dessas características, qualquer equivalente do indicado 1N4004 poderá também ser utilizado... Quanto ao resistor, atenção à sua dissipação (que deve ser de 2W para que não sofra excessivo aquecimento...). Lembramos que seu valor de resistência (15K) é nominal e médio, adequado para instalações seja em redes C.A. de 110V, seja em 220V.

FIG. 2-2 - OS COMPONENTES
Para que os iniciantes não se atrapalhem, as peças necessárias são vistas no diagrama da FIG. 2-2 tanto em suas aparências físicas, quanto em seus símbolos esquemáticos (os “códigos” visuais que representam os componentes num diagrama de circuito...).
No caso, é muito importante verificar a identificação dos terminais do LED e do diodo, uma vez que tais componentes apresentam “pernas” polarizadas, que não podem ser ligadas ao circuito e aos demais componentes de forma invertida... A identificação A refere-se ao terminal de Anodo e o K refere-se ao terminal de Catodo. No LED, o terminal de Catodo (K) é o mais curto, e sai da peça ao lado de um pequeno chanfro lateral (indicado pela setinha). No diodo, o terminal K (de Catodo) é aquele que sai da extremidade da peça junto à qual existe uma faixa ou anel (a setinha indica) em cor contrastante...
O resistor não tem terminais polarizados, podendo ser indiferentemente ligado ao circuito, tanto “daqui prá lá” quanto “de lá prá cá”...

FIG. 2-3 - CHAPEADO DA MONTAGEM
Todos os detalhes construcionais - mecânicos e elétricos - da montagem, são visto na FIG. 2-3 com grande clareza... À esquerda temos o espelho com o interruptor visto pela traseira, enquanto que à direita o conjunto é visto pela frente...
A primeira coisa a ser feita é remover provisoriamente o espelho e nele fazer um furo redondo (ver localização aproximada na figura...) com diâmetro um “tiquinho” maior do que os 5 mm do LED, de modo que a “cabeça” deste possa ser encaixada facilmente, porém ficando firme (se preciso, uma gotinha de cola de epoxy, pela traseira do espelho, fixará o LED no seu furo...). Fixado o LED no furo, identificar bem seus terminais (rever a FIG. 2-2, se preciso...), fazendo o mesmo com o diodo (idem...), e promover as interligações dos componentes, de preferência através de pontos de solda cuidadosamente aplicados. Finalizando as conexões, o terminal K do LED deve ser ligado a um dos bornes do interruptor, enquanto que o terminal sobrante do resistor é conectado ao outro borne do dito interruptor...
É bom promover uma isolação (com fita plástica apropriada) em todas as partes metálicas expostas dos terminais dos componentes, de modo que eles não possam estabelecer “curtos” acidentais entre sí, nem com a eventual carcaça metálica da caixa na qual o interruptor é acomodado...
Observar que os fios já existentes, anteriormente ligados aos terminais do interruptor, devem ficar - ambos - exatamente onde estavam, sem nenhuma modificação...
Conferir tudo, recolocar interruptor e espelho nas suas originais posições, ligar a “força” do local (que - obrigatoriamente - VER ADVERTÊNCIA NO INÍCIO DO PRESENTE LIVRO-VIRTUAL - deve ter sido desligada ANTES de se começar as interligações ...). Pronto! É só observar, que o conjunto já deverá estar funcionando perfeitamente: com o interruptor desligado (lâmpada controlada apagada...) o pequeno LED emitirá uma luminosidade vermelha nítida (por óbvias razões, muito mais visível no escuro...); com o interruptor ligado (lâmpada acesa...), o LED indicador se apaga!
Para simular uma condição de “lâmpada queimada”, basta desatarrachar um pouco a dita cuja do seu soquete (ou mesmo removê-la, provisoriamente...). Nesse condição, em nenhuma das duas posições possíveis do interuptor o LED indicador acenderá,. conforme havíamos explicado no início...
À noite, no escuro, a localização do interruptor se evidenciará claramente por aquele pontinho vermelho, intensamente luminoso, representado pelo LED, o que facilitará enormemente encontrar-se o dito interruptor, a qualquer momento...!
É bom lembrar que o consumo de energia intrínseco ao mini-circuito é irrisório, absolutamente não “agravando” a conta de eletricidade no fim do mês...!
Finalizando, o conjunto pode ser usado - basicamente sem nenhuma modificação - tanto em instalações sob rede C.A. de 110 V quanto em 220V...